Биржи

Извещение № 09

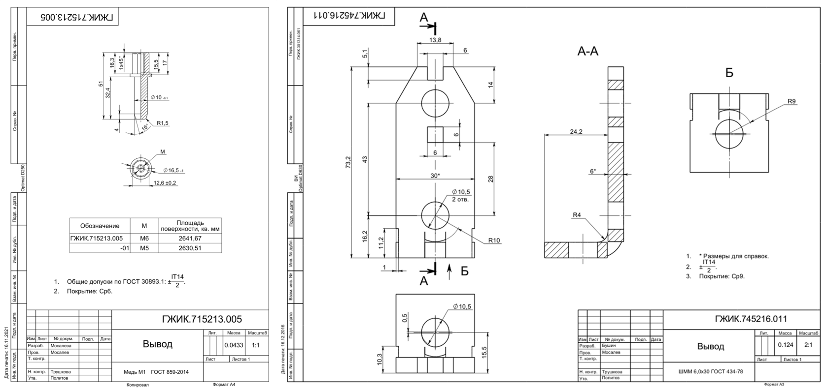
Вывод ГЖИК.715213.005
Вывод ГЖИК.745216.011
Дополнительно 18 позиций

Годовая потребность
22 сентября 2025 года, Биржа промышленной кооперации в г. Москве